21 cm fra senter til senter av skruehull. Hull er 6.3 mm for M6 bolter.
Sjekk om det er riktig lengde du trenger.. Det brukes forskjellige lengder. Ikke sikkert denne passer til din motor. Mål lengden.
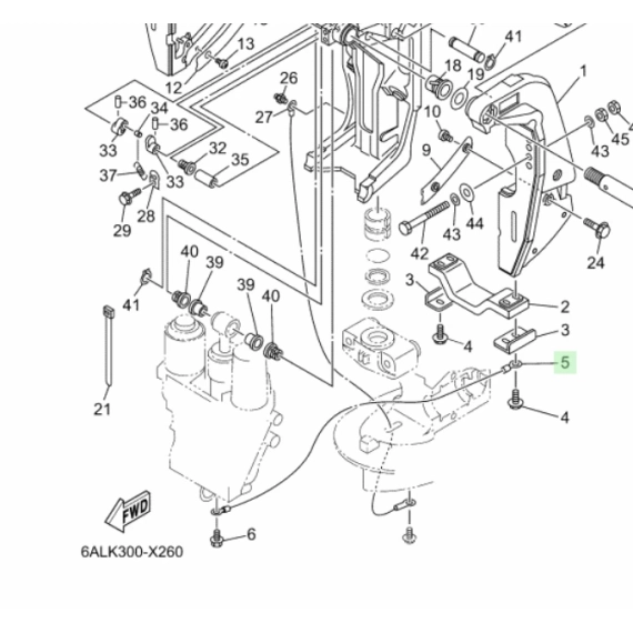
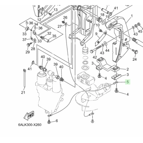
Vanligvis brukt for å jorde anode til Powertrim/tilt-enhet
Rustfri stålvire som er sveist fast til ørene..
Gammelt nr:
6H1821480000
WIRE, LEAD


