arrow_back
Modellsøk
Favoritter
0
Logg inn
Handlekurv
0
Service
Vis alle: Service
Servicepakker til Yamaha
Enkelt servicekit 100 timer / Årlig
Enkelt servicekit 300 timer / 3 år.
Motordeler
Vis alle: Motordeler
Anoder
Anoder Utvendig
Anoder Innvendig
Olje og tilbehør
Drivstoffsystem
Tank / Drivstoff
Drivstoffiltere
Tennplugger
Kjøling
Termostat
Vannpumpehus
Vannpumpe servicesett
Impeller
Pakninger
Registerreim
Lakk
Nye Servicepakker til Yamaha
Nye 100T servicepakker til Yamaha
Nye 300T Servicepakker til Yamaha
Propeller og rekvisita
Splinter og brytepinner
4A-5C -1991 B-type
F4-F6 BA-type
F6-F9,9 N-type
Propeller til F9,9H F15A F15C F20B - 9,9D 9,9F. J-type
Vis alle
Tiltdeler - Tiltepinner
Oppgradering
Diverse motordeler
Elektrisk til Yamaha
Yamaha delekataloger
Kontrollutstyr
Vis alle: Kontrollutstyr
Styring
Styring type M58. Opp til 55 hk. Yamaha Original
Styring type M58. Opp til 55 hk. Ultraflex
Styring Type M66. 60-225 HK. Ultraflex
Styrestag (lenkarm)
Styrefester
Monteringsett
Kontrollkabler C2
Kontrollkabler C2 standard
Kontrollkabler C2 Fleksible
Instrumenter
Kontrollbokser
Ladesett
Tenningslås deler
Nøkler til tenningslås.
Tenningslås
Yamaha Can-Bus
Yamaha PigTail wire 4 pin hvit-hvit Can-Bus
Yamaha Main bus wire 6 pin grå-grå Can-Bus
Yamaha Hub, Can-Bus
J1939 kabel for kompatible Garmin enheter
Nmea 2000
Monteringsdeler
Båtdeler
Vis alle: Båtdeler
Havnekalesjer
Yamarin
Buster
Konsolltrekk
Konsolltrekk originale Yamarin
Yamarin konsolltrekk i PVC
Kalesje
Vannskibøyle
Trimplan og utstyr
Båtpleie
Bunnstoff
Gummibåt / PVC
Elektrisk / Navigasjon
Sleipner
Landstrøm
Ladere
Batterier / utstyr
Navigasjon
Vis alle
Badestige
Dekor
Dørlåser og nøkler
VVS og Beslag
Tankdeler
Dusj og Blandebatteri
Pumper
Håndtak
Ventilasjon
Vindskjerm, deler.
Puter & seter
Fender
Lenseplugger / klaffer
Diverse båtutstyr
Havnekalesjer i PVC
Vis alle: Havnekalesjer i PVC
Yamarin havnekalesje i PVC
Cross, (aluminiumskrog)
Yamarin Glassfiberskrog
Buster havnekalesje i PVC
Restekasse
Bådsenter
Webshop
Kontrollutstyr
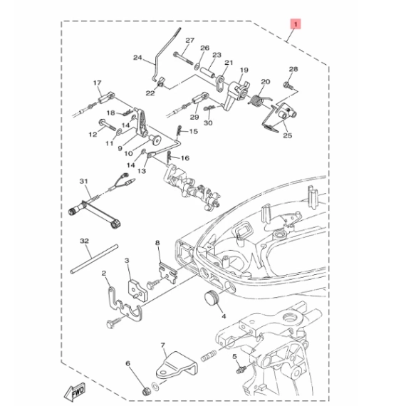
Monteringssett Gir / Gass F25D, Yamaha
Du har
2.000,-
igjen til fri frakt
Monteringssett Gir / Gass F25D, Yamaha
Varenr:
6BL485010200
4.270,-
Velg produktalternativer
Velg komponenter
Legg i handlekurv
Fjernlager: Levering fra oss om ca 5 virkedager.
4.270,-
Passer til:
F13,5B
F15C
F20B
F25D
4.270,-
Fjernlager: Levering fra oss om ca 5 virkedager.
Beskrivelse
Passer til
Passer til:
F13,5B
F15C
F20B
F25D
Passer til
Yamaha F25D 2009-2018 (6BP)
2009
-
2018
Cookie-innstillinger
Ok
Oppdaterer handlekurven...
Handlekurven er oppdatert.
Velg årstall
×
Velg
Hendvendelsen gjelder:
Deres navn
Telefon*
Epost*
Postnummer
Epost eller telefonnr må oppgis for at vi skal kunne ta kontakt.
Kommentar
Henvendelsen er sendt, og vi vil kontakte deg.
Det oppstod en feil og skjemaet ble ikke sendt. Vennligst prøv igjen senere eller ta kontakt med kundeservice.